
Znajdź odpowiednią średnicę komina do pieca węglowego, aby uniknąć problemów z ciągiem i zapewnić efektywne spalanie. Sprawdź nasze zalecenia!
Jestem Rafał Dudek, specjalista w dziedzinie ogrzewania z ponad dziesięcioletnim doświadczeniem w branży. Moje zainteresowanie technologiami grzewczymi rozpoczęło się podczas studiów inżynierskich, gdzie zdobyłem solidne podstawy teoretyczne, a następnie rozwijałem swoje umiejętności w praktyce, pracując dla renomowanych firm. Specjalizuję się w nowoczesnych systemach ogrzewania, w tym w instalacjach opartych na odnawialnych źródłach energii. Moja wiedza obejmuje zarówno tradycyjne metody, jak i innowacyjne rozwiązania, które pozwalają na efektywne i ekologiczne ogrzewanie budynków. Uważam, że kluczem do sukcesu w tej dziedzinie jest ciągłe poszerzanie wiedzy oraz dostosowywanie się do zmieniających się norm i technologii. Pisząc dla studiozdunskie.pl, moim celem jest dzielenie się rzetelnymi informacjami oraz praktycznymi poradami, które pomogą czytelnikom podejmować świadome decyzje dotyczące ogrzewania ich domów. Dążę do tego, aby moje artykuły były nie tylko źródłem wiedzy, ale także inspiracją do wprowadzenia pozytywnych zmian w zakresie efektywności energetycznej. Zobowiązuję się do dostarczania sprawdzonych i aktualnych informacji, aby każdy mógł cieszyć się komfortem cieplnym w swoim otoczeniu.

Znajdź odpowiednią średnicę komina do pieca węglowego, aby uniknąć problemów z ciągiem i zapewnić efektywne spalanie. Sprawdź nasze zalecenia!

Zastanawiasz się, co wybrać: fotowoltaika czy pompa ciepła? Sprawdź, które rozwiązanie przyniesie większe oszczędności energii i korzyści ekologiczne.

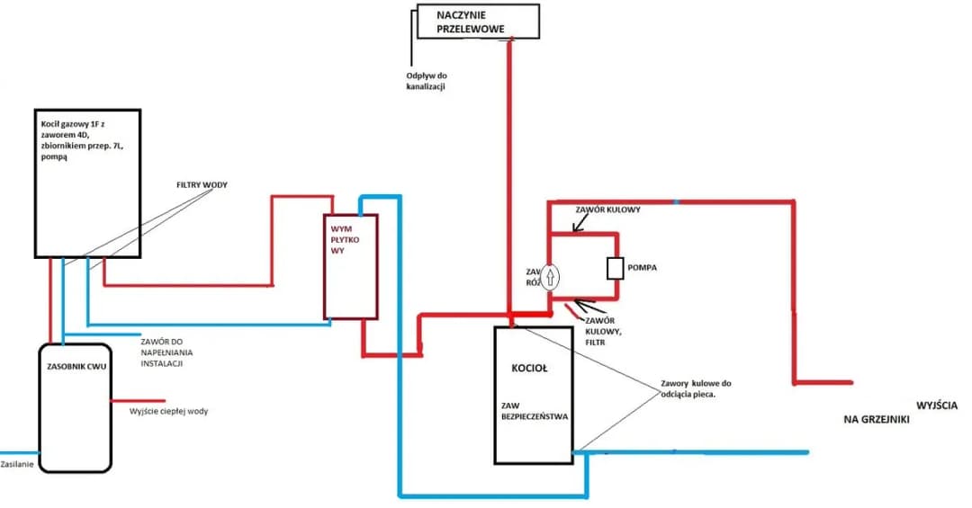
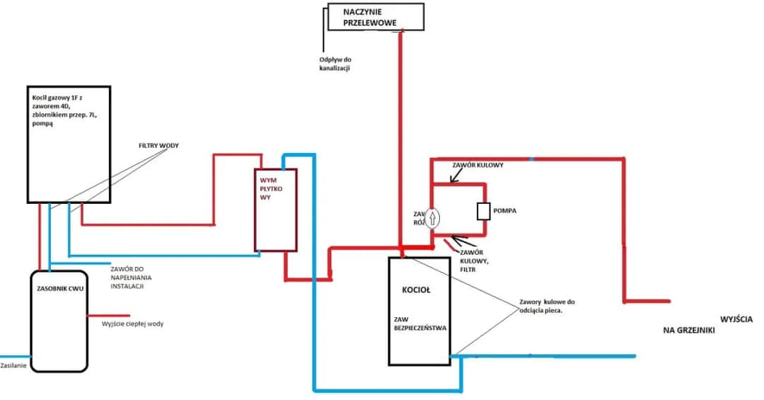
Podłączenie kotła gazowego do starej instalacji co wymaga oceny technicznej. Dowiedz się, jak uniknąć błędów i zapewnić efektywność systemu grzewczego.

Dowiedz się, kiedy czujnik czadu jest potrzebny w Twoim domu. Zwiększ bezpieczeństwo i unikaj zagrożeń związanych z tlenkiem węgla przez cały rok.

Dowiedz się, jak podłączyć piec do komina, aby zapewnić bezpieczeństwo i efektywność. Poznaj kluczowe zasady i unikaj najczęstszych błędów.

Sprawdź, czy czujnik czadu wykrywa gaz i jakie zagrożenia mogą występować w Twoim domu. Zadbaj o bezpieczeństwo swoje i bliskich!

Porównaj pompy ciepła Gree i Panasonic, aby dowiedzieć się, która z nich jest bardziej opłacalna. Sprawdź ich funkcje, koszty i opinie użytkowników.

Poznaj zalety i wady kotłów CO z podajnikiem Marciniak. Sprawdź, jak te nowoczesne urządzenia mogą poprawić efektywność ogrzewania w Twoim domu.

Dowiedz się, jak dobrać moc grzejnika, aby uniknąć zimnych pomieszczeń. Poznaj kluczowe czynniki wpływające na efektywność ogrzewania w Twoim domu.

Czy paczkomaty są ogrzewane? Dowiedz się, jak brak ogrzewania wpływa na Twoje paczki i jakie ryzyko niesie to dla ich stanu.