Podłączenie kotła gazowego do starej instalacji grzewczej to proces, który może znacząco poprawić efektywność ogrzewania w Twoim domu. Jednak wymaga to dokładnej oceny technicznej i może wiązać się z koniecznością modernizacji niektórych elementów systemu. Kluczowym aspektem jest zapewnienie, że kocioł gazowy pracuje w układzie zamkniętym, co oznacza, że w przypadku otwartych instalacji, należy je odpowiednio dostosować.
Ważne jest również, aby przed podłączeniem nowego kotła, cała instalacja grzewcza została dokładnie przeczyśćona. W starych rurach mogą znajdować się zanieczyszczenia, które mogą uszkodzić nowe urządzenie. W artykule omówimy kluczowe zasady, które pomogą uniknąć kosztownych błędów i zapewnić bezpieczne oraz efektywne działanie nowego kotła gazowego.
Najistotniejsze informacje:
- Podłączenie kotła gazowego do starej instalacji wymaga oceny technicznej i ewentualnych modyfikacji.
- Wymiennik ciepła może być potrzebny, aby zapobiec przemieszczaniu się zanieczyszczonej wody.
- Stara instalacja musi być dokładnie oczyszczona przed podłączeniem nowego kotła.
- Wymiana filtrów jest zalecana, aby zapewnić prawidłowe działanie nowego urządzenia.
- Właściwy dobór mocy kotła zależy od izolacji budynku i szczelności okien.
- Montaż powinien być wykonany przez wykwalifikowanego instalatora, który zapewni zgodność z normami bezpieczeństwa.
Podłączenie kotła gazowego do starej instalacji – podstawowe zasady
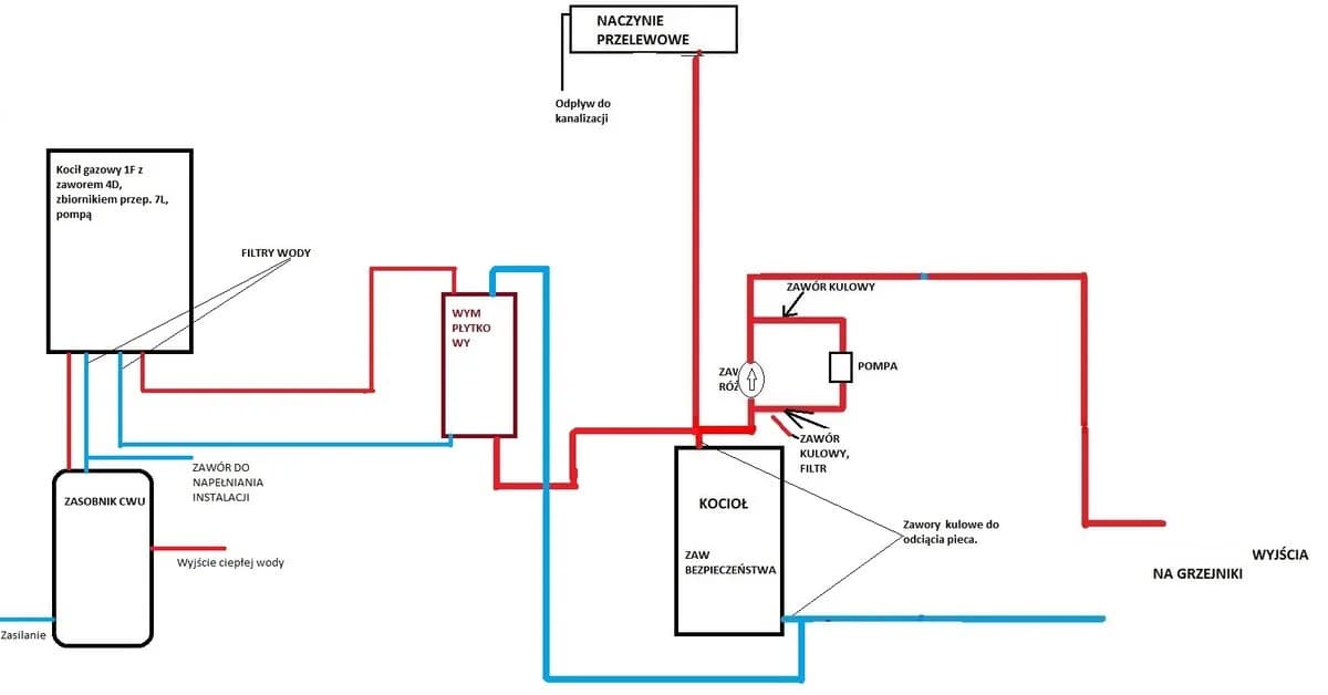
Podłączenie kotła gazowego do starej instalacji grzewczej wymaga szczegółowej analizy, aby zapewnić prawidłowe i bezpieczne działanie. Kluczowym elementem jest ocena zgodności nowego kotła z istniejącym systemem grzewczym. Należy wziąć pod uwagę, czy instalacja była wcześniej otwarta, co może wymagać jej modernizacji w celu dostosowania do nowoczesnych kotłów gazowych. W przypadku, gdy stara instalacja była otwarta, może być konieczne zastosowanie wymiennika ciepła, aby uniknąć problemów z zanieczyszczeniami.
Ważne jest, aby przed podłączeniem kotła przeanalizować również inne aspekty, takie jak stan rur, ich średnica oraz sposób, w jaki kocioł będzie podłączony do systemu. Każda instalacja jest inna, dlatego indywidualne podejście do oceny stanu technicznego jest niezbędne. Warto również rozważyć modyfikacje, takie jak wymiana starych grzejników na nowoczesne modele, co może poprawić efektywność całego systemu grzewczego.
Jak ocenić zgodność nowego kotła z istniejącą instalacją
Aby ocenić zgodność nowego kotła gazowego z istniejącą instalacją, należy zwrócić uwagę na kilka kluczowych czynników. Przede wszystkim, ważne jest, aby sprawdzić, czy kocioł jest przystosowany do pracy w układzie zamkniętym, co jest wymagane dla nowoczesnych kotłów. Kolejnym krokiem jest ocena stanu technicznego rur oraz ich średnicy, co może wpłynąć na przepływ wody i efektywność ogrzewania. Należy także zidentyfikować, czy instalacja grzewcza spełnia aktualne normy i przepisy dotyczące bezpieczeństwa.
- Sprawdzenie, czy kocioł gazowy jest przystosowany do pracy w układzie zamkniętym.
- Ocena stanu technicznego istniejących rur oraz ich średnicy.
- Identyfikacja zgodności instalacji z aktualnymi normami bezpieczeństwa.
Kluczowe modyfikacje wymagane do bezpiecznego podłączenia
Aby zapewnić bezpieczne podłączenie kotła gazowego do starej instalacji, konieczne są pewne modyfikacje. Przede wszystkim, jeśli istniejąca instalacja była otwarta, należy ją dostosować do pracy w układzie zamkniętym. Oznacza to, że konieczne może być zamknięcie systemu lub zastosowanie wymiennika ciepła, który zapobiegnie przemieszczaniu się zanieczyszczonej wody ze starych rur do nowego kotła. Wymiennik ciepła działa jako bariera, co jest kluczowe dla ochrony nowego urządzenia.
Innym istotnym aspektem jest dostosowanie średnicy rur oraz ich stanu technicznego. W przypadku, gdy rury są zbyt wąskie lub uszkodzone, może to prowadzić do problemów z ciśnieniem, co z kolei może wpłynąć na efektywność działania kotła. Dodatkowo, w niektórych przypadkach może być konieczne zainstalowanie nowego przewodu spalinowego, który będzie odpowiednio odprowadzał spaliny z kotła. Te modyfikacje są kluczowe, aby zapewnić prawidłowe funkcjonowanie i bezpieczeństwo nowego systemu grzewczego.
Czyszczenie starej instalacji – uniknij zanieczyszczeń w nowym kotle
Przed podłączeniem nowego kotła gazowego, niezwykle ważne jest, aby stara instalacja grzewcza została dokładnie przeczyśćona. W starych rurach często gromadzą się rdza, kamień i inne zanieczyszczenia, które mogą uszkodzić nowy kocioł. Zaleca się przeprowadzenie gruntownego czyszczenia, aby usunąć wszelkie zanieczyszczenia, które mogłyby wpłynąć na wydajność nowego urządzenia. Użycie odpowiednich środków czyszczących jest kluczowe dla sukcesu tego procesu.
Warto również zwrócić uwagę na wymianę filtrów w instalacji. Nowe filtry zapewniają lepszą ochronę przed zanieczyszczeniami i pomagają w utrzymaniu prawidłowego ciśnienia w systemie. Przykłady skutecznych produktów to filtry marki Ferroli oraz Vaillant, które są znane z wysokiej jakości i efektywności. Regularna wymiana filtrów i czyszczenie rur przyczyniają się do dłuższej żywotności kotła oraz jego lepszej efektywności.
- Użycie środka czyszczącego Fernox Cleaner do usuwania zanieczyszczeń w instalacji.
- Wymiana filtrów na Ferroli Filter lub Vaillant Filter dla lepszej ochrony.
- Wykorzystanie narzędzi takich jak Power Flush do gruntownego czyszczenia systemu.
Jak przeprowadzić skuteczne czyszczenie rur i grzejników
Skuteczne czyszczenie rur i grzejników w starej instalacji grzewczej jest kluczowe dla zapewnienia prawidłowego funkcjonowania nowego kotła gazowego. W pierwszej kolejności warto zastosować metodę przepłukiwania, która polega na wprowadzeniu wody pod ciśnieniem do systemu, aby usunąć osady i zanieczyszczenia. Do tego celu można użyć specjalnych narzędzi, takich jak urządzenia do płukania, które są dostępne w sklepach budowlanych. Innym skutecznym sposobem jest stosowanie chemicznych środków czyszczących, takich jak Fernox F3 lub Sentinel X300, które rozpuszczają rdzawe osady i kamień kotłowy.
Warto również zwrócić uwagę na regularne czyszczenie grzejników. Można to zrobić za pomocą odkurzacza z końcówką do szczelin lub miękkiej szczotki, aby usunąć kurz i brud, które mogą ograniczać efektywność ogrzewania. Dobrze jest także odpowietrzyć grzejniki, aby zapewnić ich optymalne działanie. Regularne czyszczenie rur i grzejników nie tylko poprawia efektywność systemu, ale także wydłuża żywotność kotła gazowego.
Znaczenie wymiany filtrów przed podłączeniem kotła
Wymiana filtrów przed podłączeniem nowego kotła gazowego jest niezwykle istotna dla zapewnienia jego prawidłowego działania. Filtry pełnią kluczową rolę w ochronie systemu przed zanieczyszczeniami, które mogą prowadzić do uszkodzenia kotła. Stare filtry mogą być zablokowane rdzą, kamieniem i innymi osadami, co ogranicza przepływ wody i obniża efektywność ogrzewania. Dlatego zaleca się wymianę filtrów na nowe, takie jak filtry Ferroli lub Vaillant, które zapewniają lepszą ochronę i efektywność.
Brak wymiany filtrów może prowadzić do poważnych problemów, takich jak przegrzewanie kotła, co może skutkować jego uszkodzeniem. Regularna wymiana filtrów jest kluczowa dla długoterminowej wydajności systemu grzewczego i uniknięcia kosztownych napraw. Pamiętaj, aby dostosować rodzaj filtrów do specyfikacji nowego kotła, aby zapewnić jego optymalne działanie.
Czytaj więcej: Kotły CO - Wybierz najlepsze rozwiązanie dla swojego domu i oszczędzaj
Wymiennik ciepła – jak poprawić efektywność i bezpieczeństwo
Wymiennik ciepła odgrywa kluczową rolę w poprawie efektywności i bezpieczeństwa systemu grzewczego, szczególnie w kontekście podłączenia kotła gazowego do starej instalacji. Jego głównym zadaniem jest zapobieganie przemieszczaniu się zanieczyszczonej wody z istniejącej instalacji do nowego kotła, co może prowadzić do uszkodzeń. Wymienniki ciepła działają na zasadzie wymiany energii cieplnej pomiędzy dwoma płynami, co pozwala na optymalne wykorzystanie ciepła i minimalizację strat. Dzięki zastosowaniu wymiennika, można również zredukować ryzyko korozji w nowym kotle, co przyczynia się do jego dłuższej żywotności.
Wymienniki ciepła są szczególnie przydatne w systemach, gdzie występują różnice temperatur między płynami. Na przykład, w instalacjach z kotłami kondensacyjnymi, które działają najefektywniej w niskotemperaturowych układach, wymiennik ciepła pozwala na lepsze wykorzystanie energii. Ostatecznie, zastosowanie wymiennika ciepła nie tylko poprawia wydajność systemu grzewczego, ale także zwiększa jego bezpieczeństwo, co jest kluczowe w kontekście podłączenia nowoczesnego kotła gazowego do starej instalacji.
Kiedy i dlaczego warto zastosować wymiennik ciepła
Wymiennik ciepła warto zastosować w sytuacjach, gdy istnieje ryzyko zanieczyszczenia nowego kotła wodą z starej instalacji. Na przykład, jeśli stara instalacja była otwarta i nie była odpowiednio utrzymywana, może zawierać rdze i osady, które mogą zaszkodzić nowemu urządzeniu. W takich przypadkach wymiennik ciepła działa jako bariera, która chroni nowy kocioł przed zanieczyszczeniami. Dodatkowo, wymienniki ciepła są idealne w systemach z różnymi źródłami ciepła, gdzie mogą pomóc w optymalizacji wykorzystania energii, na przykład w połączeniu kotła gazowego z systemem solarnym.
Warto również rozważyć zastosowanie wymiennika ciepła, gdy planujemy modernizację starej instalacji. Wymiennik może być kluczowym elementem, który umożliwi efektywne połączenie nowego kotła z istniejącym systemem, minimalizując jednocześnie straty ciepła. Dzięki swoim właściwościom, wymienniki ciepła przyczyniają się do zwiększenia efektywności energetycznej całego systemu grzewczego, co jest korzystne zarówno dla użytkowników, jak i dla środowiska.
Wybór odpowiedniej mocy kotła gazowego – klucz do efektywności
Wybór odpowiedniej mocy kotła gazowego jest kluczowym czynnikiem wpływającym na efektywność systemu grzewczego. Aby obliczyć wymaganą moc, należy uwzględnić kilka istotnych czynników, takich jak izolacja budynku, jego powierzchnia oraz zapotrzebowanie na ciepło. Obliczenia mogą opierać się na prostych wzorach, które uwzględniają kubaturę pomieszczeń oraz różnice temperatur pomiędzy wnętrzem a zewnętrzem. Na przykład, dla budynków o dobrej izolacji, moc kotła może wynosić około 50 W na metr kwadratowy, podczas gdy w mniej izolowanych budynkach może być to nawet 100 W na metr kwadratowy.
Warto również rozważyć specyfikę pomieszczeń, które mają być ogrzewane. Na przykład, pomieszczenia z dużymi oknami lub te, które są szczególnie narażone na utratę ciepła, będą wymagały większej mocy kotła. Dodatkowo, przy wyborze mocy kotła, należy uwzględnić także przyszłe zmiany, takie jak ewentualne ocieplenie budynku czy zmiana układu grzewczego. Prawidłowe określenie mocy kotła gazowego pozwoli na osiągnięcie optymalnej efektywności oraz komfortu cieplnego w budynku.
Jak obliczyć moc kotła w zależności od izolacji budynku
Aby obliczyć moc kotła gazowego w zależności od izolacji budynku, można zastosować prostą metodę obliczeniową. Najpierw należy zmierzyć powierzchnię ogrzewanych pomieszczeń w metrach kwadratowych. Następnie, w zależności od poziomu izolacji, można przyjąć odpowiednią wartość mocy na metr kwadratowy. Dla budynków dobrze izolowanych wartość ta wynosi około 50 W/m², podczas gdy dla budynków słabo izolowanych może wynosić nawet 100 W/m². Wzór na obliczenie mocy kotła to: Moc kotła (W) = Powierzchnia (m²) × Moc na m² (W/m²).
Warto również uwzględnić dodatkowe czynniki, takie jak liczba okien, ich powierzchnia oraz rodzaj użytych materiałów budowlanych. W przypadku budynków z dużymi przeszkleniami, wartość mocy na metr kwadratowy może być zwiększona o około 10-20%. Taki dokładny sposób obliczeń pozwoli na dobranie kotła o odpowiedniej mocy, co przyczyni się do zwiększenia efektywności całego systemu grzewczego.
Nowoczesne technologie w doborze mocy kotła gazowego
W dobie rosnącej efektywności energetycznej i zrównoważonego rozwoju, nowoczesne technologie mogą znacząco ułatwić proces doboru mocy kotła gazowego. Warto rozważyć zastosowanie inteligentnych systemów zarządzania energią, które analizują dane dotyczące zużycia energii w czasie rzeczywistym i automatycznie dostosowują moc kotła do aktualnych potrzeb. Takie systemy mogą integrować informacje z czujników temperatury, wilgotności oraz danych meteorologicznych, co pozwala na optymalizację pracy kotła i minimalizację strat ciepła.
Co więcej, przyszłością w doborze mocy kotłów gazowych mogą być algorytmy sztucznej inteligencji, które na podstawie zebranych danych będą w stanie przewidzieć zapotrzebowanie na ciepło w różnych porach roku. Dzięki temu użytkownicy będą mogli nie tylko zaoszczędzić na kosztach ogrzewania, ale również przyczynić się do zmniejszenia emisji CO2. Warto inwestować w takie innowacyjne rozwiązania, aby w pełni wykorzystać potencjał nowoczesnych kotłów gazowych i zapewnić sobie komfort cieplny na najwyższym poziomie.






