Jaki kocioł gazowy wybrać, aby zaoszczędzić na ogrzewaniu?
Wybierz najlepszy kocioł gazowy, który zapewni oszczędności na ogrzewaniu. Sprawdź, jak dobrać moc i typ kotła do swojego domu.
Jaki kocioł gazowy wybrać, aby zaoszczędzić na ogrzewaniu?
Wybierz najlepszy kocioł gazowy, który zapewni oszczędności na ogrzewaniu. Sprawdź, jak dobrać moc i typ kotła do swojego domu.
Producenci kotłów CO w Polsce: wybierz najlepsze opcje ogrzewania
Poznaj renomowanych producentów kotłów CO w Polsce i wybierz najlepsze opcje ogrzewania. Sprawdź ich oferty i technologie, które zapewnią komfort w Twoim domu.
Jak wybrać najlepszy sterownik kotła CO i uniknąć kosztownych błędów
Wybierz idealny sterownik kotła CO, poznaj jego funkcje i uniknij kosztownych błędów. Sprawdź, jak poprawnie zainstalować i ocenić modele na rynku.
Części do kotłów – nie trać pieniędzy na nieodpowiednie elementy
Znajdź najlepsze części do kotłów, które zapewnią ich efektywność i trwałość. Unikaj błędów przy wyborze i oszczędzaj na kosztach ogrzewania.
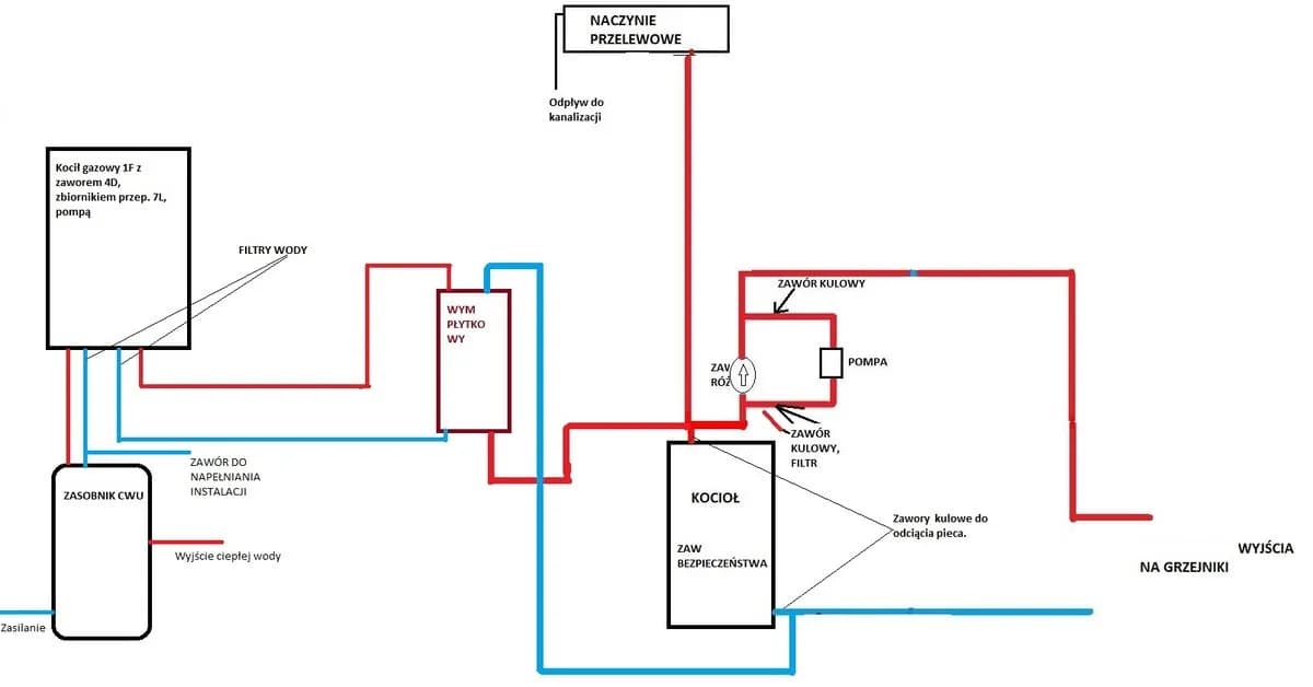
Podłączenie kotła gazowego do starej instalacji – uniknij kosztownych błędów
Podłączenie kotła gazowego do starej instalacji co wymaga oceny technicznej. Dowiedz się, jak uniknąć błędów i zapewnić efektywność systemu grzewczego.
Kotły CO z podajnikiem Marciniak - poznaj ich zalety i wady
Poznaj zalety i wady kotłów CO z podajnikiem Marciniak. Sprawdź, jak te nowoczesne urządzenia mogą poprawić efektywność ogrzewania w Twoim domu.
Kotły CO wszystkopalne - jak wybrać najlepszy model do ogrzewania?
Wybierz najlepszy model kotła CO wszystkopalnego do ogrzewania. Sprawdź efektywność, koszty eksploatacji i dostępne paliwa, aby podjąć świadomą decyzję.
Kocioł co Resika - sprawdź wydajność i opinie użytkowników
Sprawdź, jak kocioł co Resika zapewnia wysoką wydajność i jakie są opinie użytkowników. Dowiedz się, dlaczego warto go wybrać do swojego domu.
Kotły co Suwałki - nowoczesne rozwiązania grzewcze dla Twojego domu
Zainwestuj w nowoczesne kotły co Suwałki i ciesz się ekologicznymi rozwiązaniami grzewczymi. Ogrzewaj efektywnie, oszczędzaj i dbaj o środowisko!
Kocioł gazowy 20 kW do jakiej powierzchni? Sprawdź, zanim kupisz!
Sprawdź, do jakiej powierzchni wystarcza kocioł gazowy 20 kW. Dowiedz się, jak dobrać moc kotła do swojego domu i zwiększyć efektywność ogrzewania.