Podłączenie bufora do pieca na drewno – klucz do efektywnego ogrzewania
- Bufor ciepła magazynuje nadwyżkę energii z pieca na drewno, zwiększając jego efektywność i komfort użytkowania.
- Niezbędnym elementem instalacji jest zawór ochrony powrotu kotła, utrzymujący temperaturę wody powyżej 55-60°C, co zapobiega korozji.
- System składa się z obiegu ładowania (kocioł-bufor) i rozładowania (bufor-instalacja CO/CWU), zarządzanych przez sterownik.
- Kluczowe komponenty to zbiornik buforowy, pompy obiegowe, zawory (w tym 3- lub 4-drożny), naczynie wzbiorcze i grupa bezpieczeństwa.
- Możliwa jest integracja z przygotowaniem ciepłej wody użytkowej (CWU) poprzez wężownicę lub zewnętrzny wymiennik.
- Prawidłowy montaż i konfiguracja zapewniają długą żywotność kotła i optymalne wykorzystanie paliwa.
Podłączenie bufora ciepła do pieca na drewno to inwestycja, która znacząco podnosi efektywność i komfort ogrzewania. Ten artykuł to kompleksowy przewodnik, który krok po kroku wyjaśni proces instalacji, od wyboru komponentów po pierwsze uruchomienie, pomagając Ci stworzyć wydajny i niezawodny system grzewczy.

Dlaczego bufor ciepła to rewolucja dla Twojego pieca na drewno?
Kocioł na drewno osiąga najwyższą sprawność podczas pracy z pełną mocą, co prowadzi do produkcji dużej ilości ciepła w krótkim czasie. Niestety, często zapotrzebowanie na ciepło w domu nie pokrywa się z możliwościami kotła pracującego na pełnej mocy, co zmusza do jego dławienia i pracy w nieoptymalnych warunkach. Tu z pomocą przychodzi bufor ciepła. Służy on do zmagazynowania tej nadwyżki energii i oddawania jej do instalacji grzewczej stopniowo, w miarę zapotrzebowania. To znacząco podnosi efektywność całego systemu, pozwala na rzadsze dokładanie drewna i wydłuża żywotność kotła.
Koniec z marnowaniem opału: Jak bufor magazynuje energię?
Mechanizm działania bufora jest stosunkowo prosty, a jednocześnie niezwykle efektywny. Kiedy kocioł pracuje z pełną mocą i produkuje więcej ciepła, niż jest aktualnie potrzebne w instalacji, nadwyżka ta jest kierowana do zbiornika buforowego. Woda w buforze jest podgrzewana i gromadzi się w jego górnej części, tworząc strefę o wysokiej temperaturze. Chłodniejsza woda, która wraca z instalacji, pozostaje w dolnej części zbiornika. Dzięki temu bufor działa jak akumulator energii cieplnej, gotowy do jej oddania, gdy tylko zajdzie taka potrzeba nawet po wygaśnięciu paleniska w kotle.
Większy komfort i rzadsze wizyty w kotłowni – realne korzyści w praktyce
Dla wielu użytkowników kotłów na drewno największą zaletą bufora jest znaczące zwiększenie komfortu życia. Koniec z koniecznością pilnowania paleniska i dokładania drewna co kilka godzin! Dzięki buforowi można naładować kocioł raz lub dwa razy dziennie, a ciepło będzie stopniowo uwalniane do systemu grzewczego, utrzymując stałą, przyjemną temperaturę w domu przez długi czas. To nie tylko wygoda, ale także oszczędność czasu i mniejsze zaangażowanie w obsługę kotła. Dodatkowo, praca kotła w optymalnych warunkach, bez ciągłego dławienia, przekłada się na czystsze spalanie i mniejszą emisję szkodliwych substancji.
Przedłuż życie swojego kotła – jak bufor chroni Twoją inwestycję?
Jednym z najpoważniejszych problemów kotłów na paliwo stałe, zwłaszcza tych starszych, jest korozja niskotemperaturowa. Pojawia się ona, gdy temperatura wody powracającej do kotła jest zbyt niska (poniżej 55-60°C). W takich warunkach para wodna zawarta w spalinach skrapla się na zimnych ściankach wymiennika, tworząc kwaśne środowisko, które niszczy metal. Bufor ciepła, w połączeniu z odpowiednim zaworem ochrony powrotu, rozwiązuje ten problem. Według danych CzysteOgrzewanie.pl, utrzymanie odpowiedniej temperatury powrotu jest kluczowe dla długowieczności kotła. Zawór ten zapewnia, że do kotła zawsze wraca woda o temperaturze co najmniej 55-60°C, co zapobiega kondensacji i chroni kocioł przed przedwczesnym zużyciem.

Zanim zaczniesz montaż: Kompletna checklista części i narzędzi
Prawidłowe podłączenie bufora ciepła wymaga starannego przygotowania i zgromadzenia niezbędnych komponentów. Odpowiedni dobór części i narzędzi to podstawa sukcesu, która zapewni długą i bezawaryjną pracę całej instalacji. Zaniedbanie tego etapu może prowadzić do problemów w przyszłości.
Dobór bufora: Jaka pojemność będzie idealna dla Twojego domu?
Wybór odpowiedniej pojemności zbiornika buforowego jest kluczowy dla efektywności systemu. Zbyt mały bufor nie będzie w stanie zmagazynować wystarczającej ilości ciepła, podczas gdy zbyt duży może być nieopłacalny i zajmować niepotrzebnie miejsce. Pojemność bufora powinna być dopasowana przede wszystkim do mocy zainstalowanego kotła na drewno oraz do zapotrzebowania cieplnego budynku. Ogólna zasada mówi o przeznaczeniu od 50 do 100 litrów pojemności bufora na każdy kilowat mocy kotła. Jednak ostateczny wybór powinien uwzględniać indywidualne preferencje użytkownika dotyczące częstotliwości ładowania kotła oraz specyfikę budynku. Warto skonsultować się ze specjalistą, aby dobrać optymalną wielkość.
Niezbędny osprzęt: Pompy, zawory, czujniki i sterowniki, których nie możesz pominąć
Oprócz samego zbiornika buforowego, do zbudowania kompletnej i funkcjonalnej instalacji potrzebny jest szereg elementów osprzętu. Każdy z nich pełni specyficzną rolę w obiegu cieplnym:
- Zbiornik buforowy: Główny element magazynujący ciepło.
- Pompa ładująca bufor (kotłowa): Tłoczy gorącą wodę z kotła do bufora.
- Pompa obiegu grzewczego (rozładowująca): Przesyła ciepło z bufora do instalacji CO.
- Zawór 3- lub 4-drożny do ochrony powrotu: Kluczowy element chroniący kocioł przed niską temperaturą powrotu.
- Naczynie przeponowe do C.O.: Kompensuje zmiany objętości wody w instalacji.
- Grupa bezpieczeństwa: Zabezpiecza instalację przed nadmiernym wzrostem ciśnienia.
- Zawory zwrotne: Zapobiegają cofaniu się wody w instalacji.
- Zawory odcinające: Umożliwiają odcięcie poszczególnych sekcji instalacji.
- Sterownik: Zarządza pracą pomp i zaworów, optymalizując działanie systemu.
- Czujniki temperatury: Monitorują temperatury w kotle, buforze i instalacji.
Kluczowy element układanki: Czym jest i dlaczego potrzebujesz zaworu do ochrony powrotu?
Zawór ochrony powrotu to serce systemu chroniącego Twój kocioł na drewno. Jest to specjalny termostatyczny zawór mieszający, który działa w sposób automatyczny. Jego zadaniem jest ciągłe monitorowanie temperatury wody powracającej z instalacji grzewczej do kotła. Jeśli temperatura ta spadnie poniżej ustalonego progu (zazwyczaj 55-60°C), zawór zaczyna mieszać chłodną wodę powracającą z instalacji z gorącą wodą zasilającą kocioł. W ten sposób podnosi temperaturę wody wracającej do kotła, zapobiegając tym samym zjawisku kondensacji pary wodnej i chroniąc wymiennik kotła przed niszczycielską korozją niskotemperaturową. Bez tego elementu, kocioł jest narażony na szybkie uszkodzenie.
Narzędzia, które musisz przygotować przed rozpoczęciem prac
Aby sprawnie przeprowadzić montaż, niezbędny będzie zestaw podstawowych narzędzi hydraulicznych i montażowych. Przygotuj między innymi:
- Klucze nastawne i płasko-oczkowe
- Obcinaki do rur miedzianych lub PEX
- Zaciskarki (jeśli stosujesz rury PEX/AluPEX)
- Wiertarka z odpowiednimi wiertłami
- Poziomica
- Miara zwijana
- Pędzle do nanoszenia pasty montażowej
- Uszczelniacze do gwintów (np. taśma teflonowa, nić uszczelniająca)

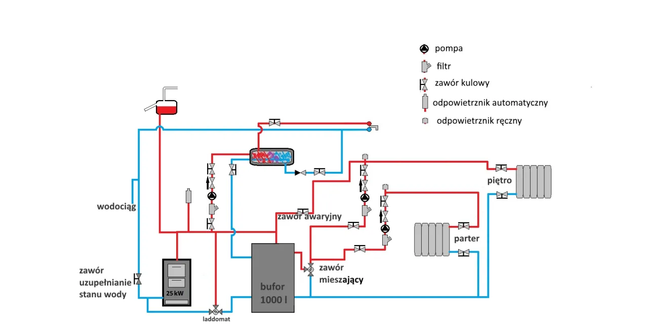
Serce instalacji: Schematy podłączenia bufora, które musisz znać
Zrozumienie schematów hydraulicznych jest fundamentalne dla prawidłowego podłączenia bufora ciepła. Istnieją dwa podstawowe warianty konfiguracji, które pozwalają na efektywne wykorzystanie zgromadzonej energii cieplnej jeden skupia się wyłącznie na ogrzewaniu domu, drugi natomiast integruje system z przygotowaniem ciepłej wody użytkowej.
Schemat podstawowy: Podłączenie bufora do instalacji centralnego ogrzewania (C. O. )
Najprostsza konfiguracja zakłada współpracę kotła na drewno z buforem i instalacją centralnego ogrzewania. W tym układzie wyróżniamy dwa kluczowe obiegi:
- Obieg ładowania bufora (kocioł ↔ bufor): Gorąca woda produkowana przez kocioł jest pompowana (za pomocą pompy kotłowej) do górnej części bufora. Jednocześnie, chłodniejsza woda z dolnej części bufora jest zasysana i kierowana z powrotem do kotła. Na tym powrocie kluczowe jest zastosowanie zaworu ochrony powrotu, który zapobiega wychłodzeniu kotła.
- Obieg rozładowania bufora (bufor ↔ instalacja C.O.): Ciepło zmagazynowane w górnej części bufora jest pobierane przez drugą pompę (pompę obiegu grzewczego) i kierowane do grzejników lub ogrzewania podłogowego. Temperatura wody podawanej do instalacji CO jest regulowana za pomocą zaworów mieszających, dostosowując ją do aktualnych potrzeb i komfortu cieplnego w pomieszczeniach.
Ten schemat zapewnia efektywne magazynowanie ciepła i jego dystrybucję do systemu grzewczego.
Schemat rozbudowany: Jak zintegrować bufor z grzaniem ciepłej wody użytkowej (C. W. U. )?
Dla zwiększenia funkcjonalności systemu, bufor można zintegrować z przygotowaniem ciepłej wody użytkowej (CWU). Istnieją dwa główne sposoby realizacji tej funkcji:
- Z wewnętrzną wężownicą: Wiele zbiorników buforowych posiada wbudowaną wężownicę (spiralę rurową), przez którą przepływa woda użytkowa. Woda ta jest podgrzewana przez wodę grzewczą znajdującą się w płaszczu bufora.
- Z zewnętrznym wymiennikiem płytowym: Alternatywnym rozwiązaniem jest zastosowanie zewnętrznego wymiennika ciepła. W tym przypadku, gorąca woda z bufora przepływa przez wymiennik, oddając ciepło wodzie użytkowej, która jest przez niego transportowana.
Oba rozwiązania pozwalają na komfortowe korzystanie z ciepłej wody, niezależnie od pracy kotła.
Układ zamknięty vs. otwarty – co wybrać i dlaczego jest to ważne?
Instalacje grzewcze można podzielić na układy zamknięte i otwarte. Układ zamknięty, wyposażony w naczynie przeponowe, pracuje pod stałym, kontrolowanym ciśnieniem i jest najczęściej stosowany w nowoczesnych systemach. Naczynie przeponowe kompensuje rozszerzalność cieplną wody, zapobiegając nadmiernemu wzrostowi ciśnienia. Układ otwarty, z otwartym naczyniem wzbiorczym umieszczonym najwyżej w instalacji, jest prostszy, ale pracuje przy niższym ciśnieniu i jest bardziej narażony na napowietrzanie instalacji. Ze względu na bezpieczeństwo i wyższe ciśnienie robocze, układy zamknięte są zazwyczaj preferowane w nowoczesnych instalacjach, wymagają jednak zastosowania grupy bezpieczeństwa.
Montaż krok po kroku: Od pustej kotłowni do działającego systemu
Montaż bufora ciepła to proces, który wymaga precyzji i przestrzegania określonej kolejności. Poniższa instrukcja przeprowadzi Cię przez kluczowe etapy instalacji, od przygotowania miejsca po podłączenie wszystkich elementów.
Krok 1: Prawidłowe ustawienie i wypoziomowanie zbiornika buforowego
Zanim przystąpisz do podłączania rur, upewnij się, że miejsce przeznaczone na bufor jest odpowiednio przygotowane. Podłoże musi być stabilne, równe i zdolne do udźwignięcia ciężaru wypełnionego wodą zbiornika. Niezwykle ważne jest również zapewnienie odpowiedniej przestrzeni wokół bufora, umożliwiającej swobodny dostęp do króćców i konserwację. Zbiornik musi być idealnie wypoziomowany pozwoli to na utrzymanie prawidłowego uwarstwienia temperaturowego wody wewnątrz, co jest kluczowe dla efektywnej pracy systemu.
Krok 2: Podłączenie obiegu "krótkiego" – czyli jak połączyć piec z buforem
Ten etap polega na stworzeniu obiegu, który połączy kocioł z buforem. Gorąca woda zasilająca, wychodząca z kotła, powinna być skierowana do górnego króćca bufora. Natomiast zimniejsza woda, powracająca z dolnej części bufora, musi zostać podłączona do króćca powrotnego kotła. Pamiętaj o zastosowaniu rur o odpowiedniej średnicy, aby zapewnić swobodny przepływ, oraz o ich solidnej izolacji termicznej, która zminimalizuje straty ciepła.
Krok 3: Instalacja zaworu ochrony powrotu – najważniejszy moment montażu
To jeden z najbardziej krytycznych etapów montażu. Zawór ochrony powrotu instalujemy na rurze powrotnej, prowadzącej z bufora do kotła. Najlepszym miejscem jest jak najbliższe kotła połączenie. Prawidłowo zamontowany i skonfigurowany zawór będzie stale dbał o to, aby temperatura wody wracającej do kotła nie spadła poniżej bezpiecznego poziomu 55-60°C. Jest to absolutnie niezbędne dla ochrony kotła przed korozją niskotemperaturową.
Krok 4: Podłączenie obiegu grzewczego domu do bufora
Kolejnym krokiem jest podłączenie instalacji centralnego ogrzewania (grzejników lub ogrzewania podłogowego) do bufora. Ciepło jest pobierane z górnej, najcieplejszej części zbiornika. Następnie, za pomocą pompy obiegu grzewczego, podgrzana woda jest kierowana do systemu grzewczego. Powracająca z instalacji CO chłodniejsza woda powinna być podłączona do króćców bufora znajdujących się w jego środkowej lub dolnej części, w zależności od przyjętego schematu i pożądanego uwarstwienia. W tym miejscu zazwyczaj instaluje się również zawory mieszające, które pozwalają na precyzyjne regulowanie temperatury podawanej do poszczególnych obiegów grzewczych.
Krok 5: Montaż osprzętu zabezpieczającego – grupa bezpieczeństwa i naczynie wzbiorcze
Bezpieczeństwo użytkowania instalacji grzewczej jest priorytetem. Dlatego niezbędny jest montaż grupy bezpieczeństwa, która zazwyczaj składa się z zaworu bezpieczeństwa (chroniącego przed nadmiernym ciśnieniem), manometru (do kontroli ciśnienia) oraz odpowietrznika. Grupę bezpieczeństwa montuje się na zasilaniu kotła lub bufora. Równie ważnym elementem jest naczynie wzbiorcze (przeponowe), które kompensuje zmiany objętości wody w instalacji spowodowane zmianami temperatury. Naczynie to należy zamontować w odpowiednim miejscu, zgodnie z zaleceniami producenta, zazwyczaj na powrocie instalacji.
Pierwsze uruchomienie i regulacja: Jak "ożywić" instalację?
Po zakończeniu montażu przychodzi czas na uruchomienie systemu i jego precyzyjną regulację. Ten etap jest równie ważny jak sam montaż, ponieważ od niego zależy efektywność i bezawaryjność całej instalacji.
Napełnianie i odpowietrzanie układu – jak zrobić to skutecznie?
Instalację należy napełniać wodą powoli, najlepiej z użyciem wody destylowanej lub uzdatnionej, aby uniknąć osadzania się kamienia. Kluczowe jest dokładne odpowietrzenie wszystkich elementów systemu kotła, bufora, pomp, zaworów oraz grzejników. W tym celu należy otwierać odpowietrzniki, aż do momentu, gdy z układu zacznie wypływać czysta woda bez pęcherzyków powietrza. Pozostawienie powietrza w instalacji może prowadzić do jej nieprawidłowego działania, hałasów i obniżenia efektywności grzewczej.
Konfiguracja sterownika: Jak ustawić temperatury ładowania i rozładowywania bufora?
Sterownik jest mózgiem całej instalacji, zarządzającym pracą pomp i zaworów. Jego prawidłowa konfiguracja jest kluczowa dla optymalnego działania systemu. Należy ustawić odpowiednie temperatury, przy których kocioł będzie ładował bufor (np. kocioł grzeje do 80-90°C, a bufor do 70-80°C) oraz temperatury, przy których ciepło będzie pobierane z bufora do instalacji grzewczej (np. 40-60°C dla C.O.). Dokładne wartości zależą od typu kotła, bufora, izolacji budynku i indywidualnych preferencji użytkownika. Warto postępować zgodnie z zaleceniami producenta sterownika i kotła.
Test szczelności i obserwacja pracy – na co zwrócić uwagę?
Po napełnieniu i uruchomieniu systemu, należy dokładnie sprawdzić wszystkie połączenia pod kątem ewentualnych wycieków. Następnie, przez pierwsze godziny pracy, należy uważnie obserwować działanie instalacji. Zwróć uwagę na pracę pomp czy pracują cicho i bez zakłóceń. Monitoruj stabilność temperatur w kotle, buforze i instalacji grzewczej. Upewnij się, że ciśnienie w instalacji utrzymuje się na stabilnym poziomie. Wszelkie niepokojące dźwięki, wibracje czy nagłe zmiany parametrów powinny być sygnałem do dokładniejszego sprawdzenia systemu.

Tych błędów unikaj jak ognia! Najczęstsze pomyłki przy montażu bufora
Nawet najlepiej zaplanowana instalacja może napotkać problemy, jeśli podczas montażu zostaną popełnione pewne błędy. Świadomość najczęstszych pomyłek pozwoli Ci ich uniknąć i zapewnić długą, bezproblemową pracę systemu.
Zignorowanie ochrony powrotu – prosta droga do zniszczenia kotła
To zdecydowanie najpoważniejszy błąd, jaki można popełnić przy montażu kotła na paliwo stałe współpracującego z buforem. Brak zaworu ochrony powrotu lub jego nieprawidłowa instalacja prowadzi do szybkiego rozwoju korozji niskotemperaturowej. Woda wracająca do kotła ma zbyt niską temperaturę, co powoduje kondensację pary wodnej i niszczenie elementów kotła. Skutkiem jest zazwyczaj konieczność wymiany kotła po zaledwie kilku latach eksploatacji, a nawet wcześniej. Jest to kosztowny błąd, którego należy bezwzględnie unikać.
Zbyt małe średnice rur – jak nie "zdusić" swojej instalacji?
Zastosowanie rur o zbyt małej średnicy w obiegu kotłowym lub buforowym jest częstym błędem, który prowadzi do nadmiernych oporów hydraulicznych. Ogranicza to przepływ wody, co może skutkować przegrzewaniem kotła, niewydajnym ładowaniem bufora i ogólnym obniżeniem efektywności systemu. Pamiętaj, że swobodny przepływ ciepła przez instalację jest kluczowy dla jej prawidłowego działania. Zawsze dobieraj średnice rur zgodnie z zaleceniami producenta kotła i bufora oraz zasadami hydrauliki.
Błędne umiejscowienie czujników temperatury – dlaczego sterownik "wariuje"?
Czujniki temperatury są oczami i uszami sterownika. Jeśli zostaną umieszczone w niewłaściwych miejscach na przykład zbyt blisko króćców, w strefach o słabym przepływie wody lub w miejscach, gdzie temperatura nie odzwierciedla rzeczywistych warunków sterownik będzie otrzymywał błędne informacje. Może to prowadzić do nieprawidłowego sterowania pompami i zaworami, co skutkuje nieefektywnym ładowaniem lub rozładowywaniem bufora, a nawet przegrzewaniem kotła. Zawsze umieszczaj czujniki w miejscach zapewniających reprezentatywny odczyt temperatury wody w danym punkcie obiegu.
Nieprawidłowe podłączenie króćców bufora – jak nie zaburzyć kluczowego uwarstwienia wody?
Bufor ciepła działa najefektywniej dzięki zjawisku uwarstwienia temperaturowego, czyli rozdzielenia wody na warstwy o różnej temperaturze. Gorąca woda gromadzi się na górze, a chłodniejsza na dole. Nieprawidłowe podłączenie króćców na przykład podłączenie obiegu grzewczego CO do zbyt wysokiego króćca lub powrotu kotłowego do zbyt niskiego może zaburzyć to naturalne uwarstwienie. W efekcie dochodzi do mieszania się warstw wody o różnych temperaturach, co znacząco obniża efektywność magazynowania i oddawania ciepła przez bufor.
Eksploatacja i konserwacja: Jak dbać o system, by służył bezawaryjnie przez lata?
Prawidłowy montaż to dopiero początek. Aby instalacja z buforem ciepła służyła Ci bezawaryjnie przez wiele lat, należy pamiętać o regularnej eksploatacji i konserwacji.
Okresowe przeglądy – co i jak często kontrolować?
Zaleca się przeprowadzanie przeglądów instalacji co najmniej raz w roku, najlepiej przed rozpoczęciem sezonu grzewczego. Podczas przeglądu należy sprawdzić stan techniczny pomp obiegowych, szczelność wszystkich połączeń, działanie zaworów (szczególnie zaworu ochrony powrotu), ciśnienie w naczyniu przeponowym oraz ogólny stan kotła i wymienników. Regularna konserwacja pozwala na wczesne wykrycie potencjalnych problemów i zapobieganie poważniejszym awariom.
Przeczytaj również: Ile kosztuje kocioł gazowy kondensacyjny? Ceny, modele i porady zakupowe
Optymalizacja spalania drewna z buforem – jak palić najefektywniej?
Współpraca kotła z buforem pozwala na optymalizację procesu spalania drewna. Aby osiągnąć maksymalną efektywność, należy palić przede wszystkim suchym drewnem o odpowiedniej wilgotności. Kocioł powinien pracować z maksymalną mocą, aby jak najszybciej naładować bufor. Unikaj dławienia kotła i palenia niewielkimi ilościami drewna. Palenie pełnym zasypem i utrzymywanie wysokiej temperatury spalania jest kluczowe dla minimalizacji emisji szkodliwych substancji i maksymalizacji odzysku energii cieplnej.
